|
Простая зарядка Li-ion батарей 3.7в на LM 317 и TL431
|
|
| | Сообщение # 141
|
Makson3201
Постов: 7
ОК |
Нужна схема зарядки, так как покупать модуль уже стало довольно таки дорого.
Детали желательно максимально попроще, но, насколько я понимаю, простыми транзисторами не обойтись. В наличии есть несколько полевых IRF 40xx Есть lm317
можно ли на основе примерно этих деталей сделать схему контроля заряда\разряда, да желательно попроще и по компактнее, ибо планируется постоянное их изготовление по мере необходимости.
|
|
| | Сообщение # 142
|
DarkRus66
Постов: 750
Друзья |
Тут же есть уже такая тема, даже далеко ходить не надо. http://radioskot.ru/forum/2-1556-1 (На LM317). Но если пересчитать стоимость деталей, то купить модуль зарядки на TP4056 будет дешевле (модуль стоит около 20 центов на Али, сама микросхема еще дешевле там же). И еще проще схема есть в Сообщении # 118, проще уже некуда. Я ее делал не раз, работает хорошо, поднимает даже "убитые" аккумуляторы (те, которые умудрились разрядить ниже 2в). Транзистор мощный (да и LM317 в схеме на ней) надо ставить на радиатор. Если хотите компактный вариант, то альтернативы специализированным микросхемам тяжело будет найти.
|
|
| | Сообщение # 143
|
Makson3201
Постов: 7
ОК |
Если существует такая схема, то подскажите. Желательно на самых простых транзисторах, но можно и на мосфетах. Нужно, что она выполняла все функции китайского модуля. Контроль заряда\разряда
|
|
| | Сообщение # 144
|
DarkRus66
Постов: 750
Друзья |
Цитата Makson3201 (  ) Если существует такая схема, то подскажите. Желательно на самых простых транзисторах, но можно и на мосфетах. Нужно, что она выполняла все функции китайского модуля. Контроль заряда\разряда Так уже дал две простые схемы, по ссылке (1) и сообщение №118 (2)? Простая китайская зарядка на TP4056 не дает контроля за разрядом, кстати, только заряд.
Если же вы имели ввиду китайский модуль с защитой батареи от переразряда, то он стоит аж 30 центов, но чтобы соорудить что-то подобное на дискретных транзисторах, будет стоить намного дороже, не говоря уже о размерах. Готовой же схемы которая полностью заменяет этот модуль нет, как вариант можно добавить в те схемы плату защиты от какого-то умершего аккумулятора, или делать схему индикации (можно на TL431 из даташита на нее) которая будет контролировать напряжение аккумулятора и сигнализировать о необходимости его дозаряда. В любом случае, размеры и стоимость такой замены будут превышать (и возможно во много раз) стоимость той же китайской зарядки.
|
|
| | Сообщение # 145
|
0977689602
Постов: 1
ОК |
|
|
| | Сообщение # 146
|
Sam
Постов: 2341
U |
0977689602, Ну какие 220в!?!Разве LM 317 выдержит такое!?!Посмотри даташит на 317-ю Рабочее напряжение у неё 1,2-37 вольт. К тому же постоянное.
|
|
| | Сообщение # 147
|
ctc655
Постов: 1790
Друзья |
Есть там в тексте такая строчка: "Рекомендуемое входное напряжение от девяти и до двадцати вольт.". И естественно постоянного напряжения.
|
|
| | Сообщение # 148
|
baskit
Постов: 143
Х |
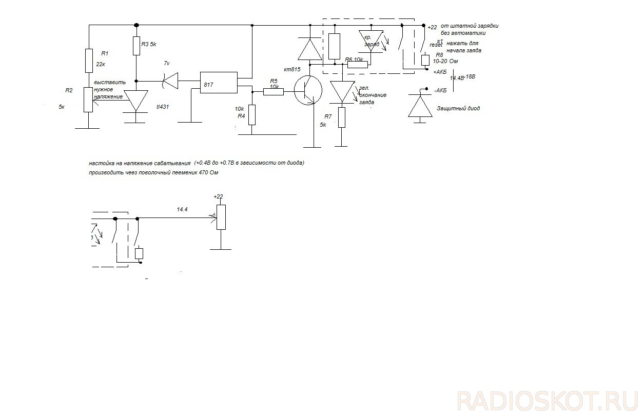
Всем привет вот накидал схемку автомат,(хочу собрать) для лития еще проще чем в шапке. как думаете работать будет? собирал недавно тоже по этой схеме только на 14.4В (Никель-кадмий) работает как мне надо. Ни чем не отличается от родного который сдох.
|
|
| | Сообщение # 149
|
ctc655
Постов: 1790
Друзья |
Честно говоря, для лития автомат окончания заряда не нужен. Главное что бы напряжение не превышало 4,2...4,25 В. Самое простое контролировать это напряжение, это поставить компаратор. По вашей схеме возникает несколько подозрений в правильности процесса заряда.
|
|
| | Сообщение # 150
|
baskit
Постов: 143
Х |
Цитата ctc655 (  ) Самое простое контролировать это напряжение, это поставить компаратор. в схеме тл431 и так работает как компараторЦитата ctc655 (  ) По вашей схеме возникает несколько подозрений в правильности процесса заряда. поэтому и я тут спрашиваю
Цитата baskit (  ) как думаете работать будет? с логика схемы такая, при достижении заданной величины например 4.18В начинает срабатывать компаратор и напряжение подается импульсами при превышении этого напряжения на доли вольта отключает схему от батареи.
|
|